LED Blinker als Positionsleuchten

  • #43


    Aufgrund der überwältigen Resonanz auf meine Frage;), musste ich mich der Mehrheitsmeinung beugen8o


    Hier das Ergebnis:

    Externer Inhalt youtu.be
    Inhalte von externen Seiten werden ohne Ihre Zustimmung nicht automatisch geladen und angezeigt.
    Durch die Aktivierung der externen Inhalte erklären Sie sich damit einverstanden, dass personenbezogene Daten an Drittplattformen übermittelt werden. Mehr Informationen dazu haben wir in unserer Datenschutzerklärung zur Verfügung gestellt.


    Gruß

    Thomas

  • #44

    Thomas, magst du uns bitte erklären wie du das gemacht hast! Wie schaut der Schaltplan aus?
    Es ist erstaunlich schwierig im netz praktische infos zu finden um genau das zu machen was du da hast: Blinker und Positionslicht in einem, Positionslicht gedimmt und Positionslicht aus beim Blinken. Was du da hast, ist genau die Lösung die ich auch vor habe um zu setzen - mir ist nur nicht klar wie!
    Ich würde mich wahnsinnig freuen über Infos wie du das gebaut hast!

    Grüße aus Wien

  • #45

    Es freut mich, dass dir meine Lösung gefällt.

    Da dies kein Geheimnis ist, möchte ich sie gern vorstellen.


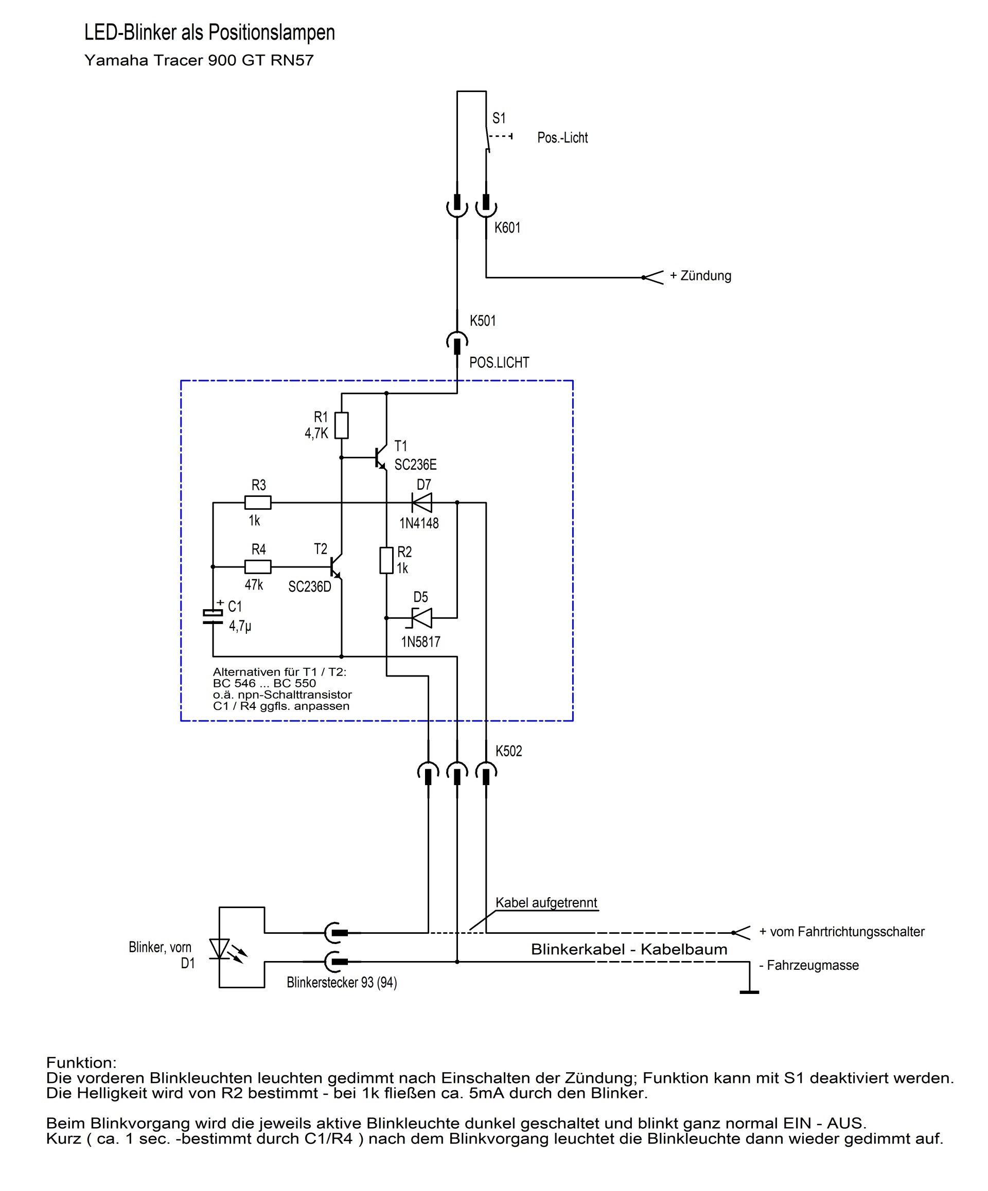
    Die Schaltung - sie wird 2x benötigt - ist recht einfach mit wenigen diskreten Bauteilen aus der Bastelkiste aufgebaut.

    Ich habe die Größe der Widerstände / des Kondensator durch probieren mit den zu verbauenden Blinkleuchten ermittelt. Bei Verwendung anderer Blinker müssten diese ggfls. angepasst werden. Erstaunlich ist, bei wie wenig Strom ( ca. 5mA) die LED-Blinker schon recht hell leuchten. Die Schaltung ist ganz simpel auf ein Stück Lochrasterplatine aufgebaut und nach Verlöten der Steckverbinder habe ich die fertige Schaltung eingeschrumpft.

    Montiert habe ich die fertigen Module jeweils rechts und links nahe dem Steckerverbinder zur Blinkleuchte. Dabei muss das Blinkerplus aufgetrennt und die Masseleitung angezapft werden (roter Kreis). Nun braucht es nur noch ein per Zündung geschaltetes Plus (z.B. vom Nebenverbraucheranschluss under der Front) zu den jeweils einpoligen Superseal-Verbinder (Steckverbinder sind mit blauen Punkt markiert). Wenn man möchte, kommt noch ein kleiner Schalter in die Plus-Leitung, so hat man die Möglichkeit das Positionslicht bei Bedarf abzuschalten.


    Viel Spaß beim Nachbauen. Wenn noch Fragen auftreten - nur zu...


    Gruß

    Thomas

  • #46

    Danke Thomas - super das du die Schaltung teilen möchtest!

    Ich habe keine Ahnung wie es genau funktioniert, aber nachbauen schaffe ich wohl.


    Ein paar Fragen:

    1. Stimmt es das R4 unter den Kondensator versteckt ist?

    2.
    T1, SC236E und T2, SC236D gibt's beim lokalen Conrad nicht.
    BC 546 und DC 550 (npn) gibt's wohl in verschiedenste Variationen:
    https://www.conrad.at/de/search.html?search=bc546
    https://www.conrad.at/de/search.html?search=bc550

    Welche kann ich da am besten verwenden und wie mussen C1 / R4 angepasst werden?


    3. Wie schaut die Schaltung aus, um beide Positionslichter ab zu schalten wenn eine der blinker an ist?


    4.

    R2 mit mehr Ohm (R > 1K Ohm) -> die LEDs sind mehr gedimmt,

    R2 mit wenig Ohm (R < 1K Ohm) -> die LEDs sind weniger gedimmt.
    Stimmt das?
    Im welchen Ohm-bereich kann ich mich Wiederstände besorgen um mehr / weniger gedimmt zu testen?
    Die LED-birnen die ich vorhabe zu verwenden sind dimmbar und verbrauchen 0.13 bis 0.15A (14V) pro Stück.

    Vielen Dank für deine Hilfe!

    lg


  • #47

    Wenn du die Schaltung verstehen und nachbauen möchtest, sollten Grundkenntnisse der Elektronik vorhanden sein - sonst wird das schwierig.

    Ich will aber noch was zur Funktion schreiben:

    - Schalter S1 geschlossen --> Positionslicht leuchtet;

    - T1 steuert durch, weil an Basis über R1 pos. Potential anliegt;

    - Strom fließt zum Blinker und wird durch R2 begrenzt (kleinerer R --> größerer Strom / Helligkeit);

    - T2 ist offen und C1 entladen;


    Wenn der Fahrtrichtungsschalter betätigt wird passiert folgendes:

    - über D5 (Schottky-Diode, damit der Spannungsabfall niedrig ist) fließt ungehindert der Strom zum Blinker;

    - gleichzeitig fließt Strom über D7 / R3 nach C1 und läd diesen auf;

    - sobald Spannung an Basis von T2 hoch genug, steuert dieser durch und zieht B von T1 nach Masse, wodurch T1 sperrt und der Blinker in den Blinkpausen nicht mehr gedimmt leuchtet;

    - die Aus-Zeit - bestimmt durch C1 / R4 muss so gewählt werden, dass die Blinker nach dem ersten Blinkimpuls schon aus bleiben und bis zum nächsten Impuls nicht wieder aufdimmen. Die passenden Werte habe ich einfach durch probieren ermittelt.


    Zu deinen Fragen:

    1. Ja

    2. Meine Transistoren wirst du beim C nicht finden, die stammen noch aus DDR-Staatsreserven:D

    Grundsätzlich gehen alle npn-Universaltransistoren für die Schaltung.

    Mit C1 wird in Kombination mit R3 / R4 die Aus-Zeit bestimmt. R3 bestimmt die Ladezeit (und gleichzeitig den Ladestrom) und R4 die Entladezeit von C1. Passende Werte in Kombination mit anderen Transistoren kann ich dir leider nicht nennen.

    3. Gleiche Schaltung, zusätzlich werden jedoch noch Dioden zur Entkopplung der beiden Seiten benötigt - muss ich mir mal Gedanken machen.

    4. Ja, stimmt.

    Ich weis ja nicht, welche LED du verwenden willst. Bei welchem Strom die ausreichend hell sind kann ich nicht wissen - musst du probieren. Der max. Strom ist von T1 begrenzt (max. 500mW --> ca. 35mA bei 14V).

    Meine Schaltung ist für die originalen Yamaha-Blinker optimiert, wenn du andere/eigene LED verwenden möchtest, musst du die Werte entsprechend selbst ermitteln. Sicher nicht einfach, wenn man keine Bauelemente daheim "auf Lager" hat.


    Gruß

    Thomas

  • #48

    Danke Thomas! Deine Mühe & Erklärungen werden wirklich sehr geschätzt!
    Und ja, Grundkenntnisse Fahlen mir - aber schwierig geht auch: genau so lerne ich wieder einiges.

    danke
    lg,


  • #49

    Hallo liebe Gemeinde. Der Winter steht an, und somit vielleicht der ein oder andere Umbau. Es geht um die RN69.

    Ich hätte gerne die Blinker vorne als Positionsleuchten. Dies ist in D erlaubt.

    Ich finde aber weder Relais noch irgendwas anderes, damit ich das umsetzen kann. Die US Modelle haben das. Hat jemand eine Idee oder das sogar schon Mal versucht umzubauen?

    Würde mich sehr freuen!

  • #50

    Wie wäre es mit den Kellermann Micro 1000 PL.

    Da hast Du Blinker und Positionslicht in einem Gehäuse.

    Strom für das zusätzliche „Plus“ kann vom Nebenverbrauchsstecker unter der Maske kommen.

    Habe ich auch verbaut👍


    Sieht dann so aus:

  • Hey,

    dir scheint die Diskussion zu gefallen, aber du bist nicht angemeldet.

    Wenn du ein Konto eröffnest merken wir uns deinen Lesefortschritt und bringen dich dorthin zurück. Zudem können wir dich per E-Mail über neue Beiträge informieren. Dadurch verpasst du nichts mehr.


    Jetzt anmelden!