
Strom für Positions-/Bremslicht - LED Blinker
-
-
-
-
-
-
#24 Zitat von TracerTomDas ist jetzt nicht dein Ernst
Verriegelungslasche eindrücken und auseinander ziehen.Doch - allerdings halt zwischen Tür und Angel in unpassender (zumindest fürs basteln) Bekleidung. Das grds. Prinzip ist mir schon klar und das wird sicherlich auch so wie beschrieben funktionieren, nur ich wollte es dann eben nicht drauf ankommen lassen sondern gehe da dann noch mal in Ruhe bei.
Wobei - legst Du für die Belegung die Hand ins Feuer? [emoji6]
In einem anderen Thema wo es um die Nebenverbrauchsanschlüsse (fürs Navi) ging wurde geraten lieber noch mal zu messen und nicht blind anzuschließen.
-
-
#25 Zitat von Back on BikeWobei - legst Du für die Belegung die Hand ins Feuer?
Naja, die hab ich aus dem Yamaha-Schaltplan entnommen - sollte wohl passenKann aber nichts passieren, schwarz ist auf jeden Fall Masse (Minus) und die beiden anderen jeweils dann Plus.
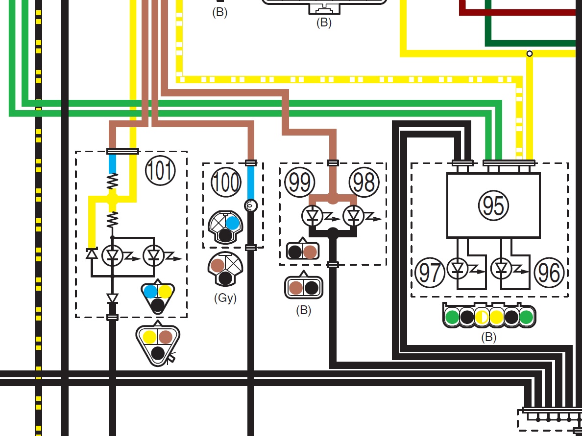
[101] ist das Rücklicht: -
#26 Danke - das sollte dann in der Tat passen.
Wobei ich in Sachen Elektrik (wenn auch primär im Wohnbereich) schon die „tollsten“ Dinge erlebt habe - inkl. der Phase auf dem vermeintlichen Schutzleiter. Hat schön gekribbelt...
Insofern mag ich da vielleicht etwas übervorsichtig sein, aber lieber zwei mal gemessen anstatt auf dem Hintern gesessen oder wie war das? Ok bei 12 V ist das Rückstoßpotential eher gering... [emoji2]
-
-
#27 Erkenntnisse des Tages:
1.) Große Hände und filigrane japanische Motorradtechnik sind nur bedingt kompatibel
2.) An den Nebenverbrauchstecker hinter der Scheibe zu kommen hat was von einer Matrjoschka - immer noch eine kleinere Platte...
3.) Wie viele unterschiedliche Schrauben(größen) kann man bitte verbauen?
Aber wenigstens hat es sich gelohnt, es ist erfreulicherweise noch ein freier Nebenverbraucher vorhanden.
Und ja - Rücklichtstecker habe ich jetzt mit der nötigen Muße auch auseinander bekommen.
-
-
-
#29 ABER: Woher bekommst du den benötigten männlichen Pin für das Steckergehäuse?
Ich habe tatsächlich in den Untiefen des Internets ein Adapterkabel für die Kennzeichenleuchte mit f-Gehäuse und m-Pins gefunden:
Wer also auf der Suche nach solchen Pins ist kann das zweckentfremden. -
-
-
Hey,
dir scheint die Diskussion zu gefallen, aber du bist nicht angemeldet.
Wenn du ein Konto eröffnest merken wir uns deinen Lesefortschritt und bringen dich dorthin zurück. Zudem können wir dich per E-Mail über neue Beiträge informieren. Dadurch verpasst du nichts mehr.
Jetzt anmelden!