Sicherungen Original Heizgriffe RN87

  • #2

    Servus, vielleicht eine von den beiden Sicherungen? Könnte mir vorstellen, die 2.0 A Zubehör für den USB-Anschluss und die 7.5 A Zusatzsicherung für die Heizgriffe.



    .

  • #4

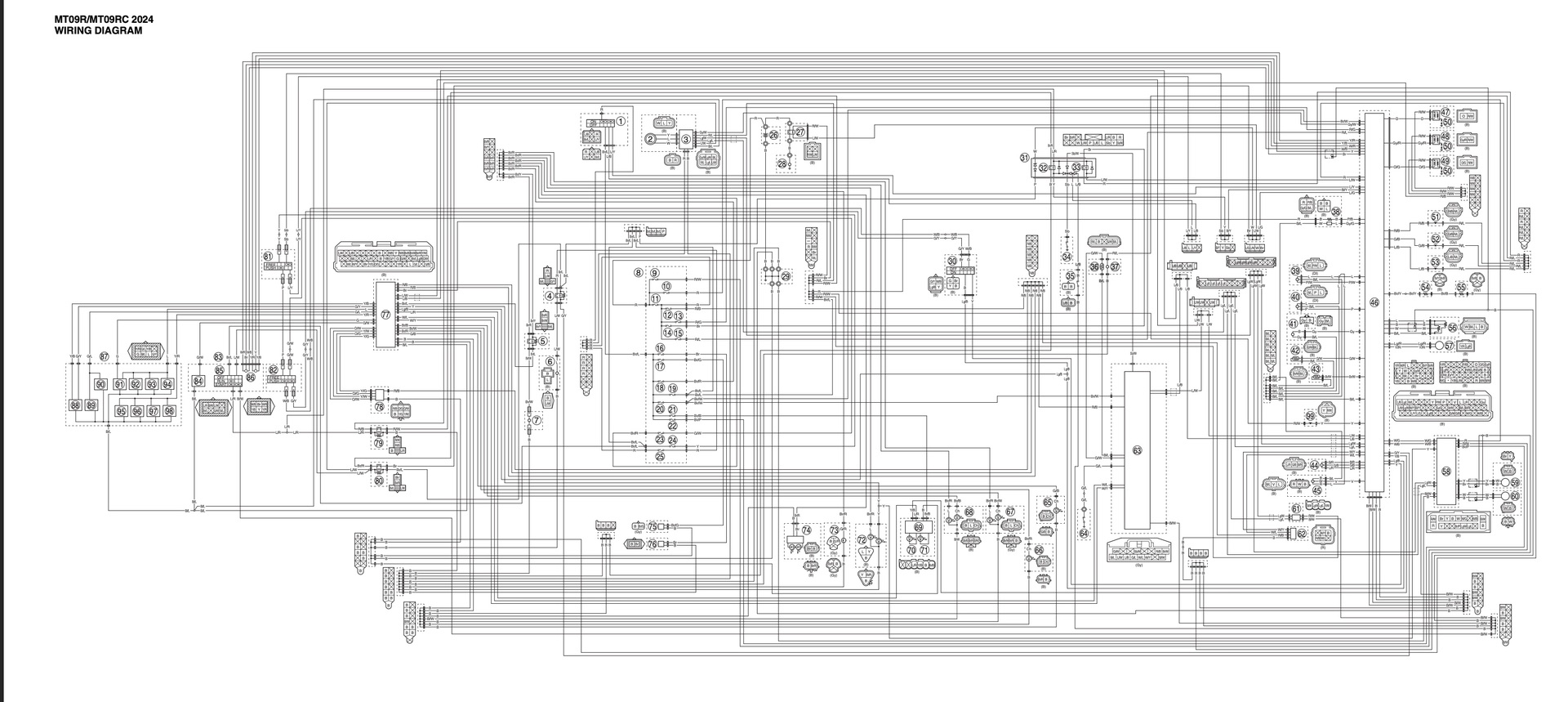
    Vielleicht kann dir das hier helfen, ich selbst habe leider keine Ahnung von der Elektronik. Die 54 und 55 sind die Anschlüsse für die Griffheizung und die 8 natürlich der Sicherungskasten.

  • #6

    Ich hab mir das mal genau durchgesehen, die Originalen Heizgriffe sind in Serie geschaltet, mit den Oxford hat bei mir das Display ins flackern angefangen, ich hoffe da ist nichts kaputt geworden.Habe sie nach Schema Pannenpeter angeschlossen. Ich werde nun probieren sie in serie anzuschließen und hoffen das es dann klappt, bei Pannenpeter sind sie ja parralell.

  • #7

    Das flackern kommt vermutlich durch eine Reihenschaltung.
    Welche Spannung sollen die Heizgriffen denn haben? 12V nehme ich mal an.

    Serienschaltung sagt mir so erst einmal nichts. Außer zwei Lampen unter der Decke, die separat geschaltet werden sollen.

    Nichts Unvollendetes kann für etwas Maßstab sein.

  • #8

    Im Schaltplan der Originalheizgriffe sind die in Serie geschaltet, ich hab mal neue Stecker bestellt da einer der zuerst gekauften einen Pin nicht verriegelt hat. Sobald ich neue Stecker habe werde ich noch mal testen.Vieleicht habe ich Glück und das war der Fehler. Es erklärt aber nicht das flackern des Display, weil selbst wenn ein Stecker einen Kurzschluß gemacht haben sollte, sollte nur ein Heizgriff funktionieren wenn man es nach Pannenpeter anschließt.Die Originalgriffe sind in Serie,die von Oxford parallel, Leistung ist gleich, also sollte der gleich Widerstand heraus kommen.

  • #10

    So wie ich das sehe (Ohmisches Gesetz)sind die Originalen in Serie mit jeweils pro Griff 6V und gesamt 30W, also in Serie geschalten an 12V Spannung.Die Oxford werden parallel angeschlossen und haben gesamt auch 30W. Das ergibt wenn mann es ausrechnet in beiden fällen einen maximalen Strom von 2,5 A.

  • Hey,

    dir scheint die Diskussion zu gefallen, aber du bist nicht angemeldet.

    Wenn du ein Konto eröffnest merken wir uns deinen Lesefortschritt und bringen dich dorthin zurück. Zudem können wir dich per E-Mail über neue Beiträge informieren. Dadurch verpasst du nichts mehr.


    Jetzt anmelden!